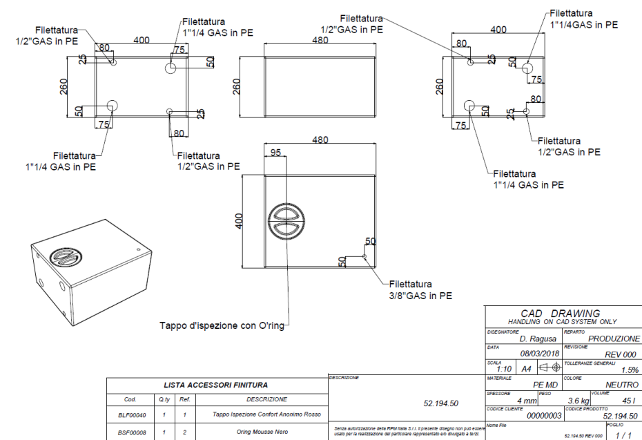
Standardne, ristkülikukujuline polüetaanist valmistatud veepaak. Mõeldud paigaldamiseks parda keskpaika või vööripõranda alla. Tootel on kontroll luuk, 4 erinevat varianti sisse-või väljalaskevoolikute paigaldamiseks. Ventilatsiooniventiil tuleb tellida eraldi. Mõõdud: 480 x 400 mm. Kõrgus: 260 mm. Mahutavus: 47 l.




